Phần đầu tiên của bài viết này đã được đăng trên tạp chí Evolution 2/98. Đây là phần thứ hai và cũng là phần cuối cùng. Trong hơn 100 năm qua,
Tại sao nên sử dụng vòng bi lăn hình trụ hai dãy siêu chính xác của SKF, dòng NN?
Tại sao nên sử dụng vòng bi lăn hình trụ hai dãy siêu chính xác của SKF, dòng NN? Tại sao nên chọn vòng bi đũa hình trụ hai dãy
Bộ khớp nối FRC hãng SKF
Khớp Nối Đàn Hồi SKF FRC: Giải Pháp Truyền Động Chống Rung Động Hiệu Quả 1. Giới Thiệu Chung Về Khớp Nối FRC (Flexible Rubber Coupling) Khớp nối FRC (Flexible
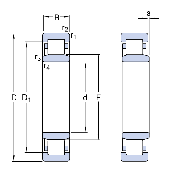
Vòng bi NU 305 ECML/P63-SKF – Đặc điểm, thông số kỹ thuật và ứng dụng
Giới thiệu vòng bi NU 305 ECML/P63-SKF Vòng bi NU 305 ECML/P63-SKF là sản phẩm thuộc dòng vòng bi đũa một dãy của SKF – thương hiệu hàng đầu trong ngành công
Đổi mới kéo sợi
Kéo sợi vòng là một quá trình cơ bản trong sản xuất vải chất lượng cao từ len, bông, sợi nhân tạo hoặc hỗn hợp của các loại sợi này.
Vòng Bi Tang Trống Tự Lựa SKF 22206 E/C3 – Giải Pháp Chịu Tải Nặng Và Sai Lệch Trục
Bài viết dưới đây sẽ giới thiệu chuyên sâu về sản phẩm vòng bi SKF 22206 E/C3, một đại diện tiêu biểu cho sự đổi mới và chất lượng hàng đầu
Các thử nghiệm động để đánh giá các đơn vị ổ trục trung tâm
Thử nghiệm động các cụm ổ trục moay-ơ ô tô góp phần dự đoán chính xác đặc tính vận hành của từng thiết kế. Tập đoàn SKF đã tích cực
Khe hở – dung sai lắp đặt vòng bi SKF chính hãng
Khe hở vòng bi và ý nghĩa trong lựa chọn – lắp đặt Mỗi vòng bi SKF đều có khe hở thiết kế và khe hở làm việc riêng. Việc
Bơm mỡ khí nén dạng thùng Lubrigun 082054 / 082050
Bơm mỡ khí nén dạng thùng Lubrigun Dành cho thùng 50 kg (120 lb) và 180 kg (400 lb) trong hệ thống bôi trơn hai đường (dual-line) và hệ thống
So sánh gối đỡ SKF FYC 50 TF và UCFC 210
Trong ngành công nghiệp, gối đỡ vòng bi (Bearing Unit) là một trong những chi tiết quan trọng, giúp nâng đỡ trục quay, giảm ma sát, duy trì độ ổn









